- Магазин готовых работ
- Поиск по учебному заведению
- Санкт-Петербургский Горный Университет. СПГУ
- Теория механизмов и машин (ТММ)
- Задание 9. Курсовая работа
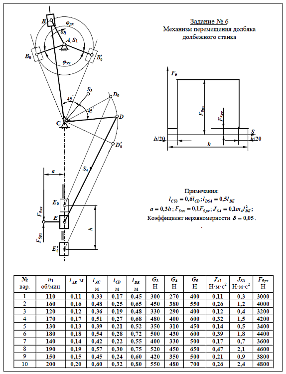
- Задание №6. Механизм перемещения долбяка долбежного станка
Задание №6. Механизм перемещения долбяка долбежного станка
Тема. Механизм перемещения долбяка долбежного станка.
1.
Вариант №1
1. Пояснительная записка;
2. Структурный анализ механизма;
3. План положений механизма(разделен на 7 частей);
4. Построение 7 планов скоростей;
5. Построение 7 планов ускорений.
6. Силовой анализ механизма
Графическая часть в КОМПАС и PDF