- Магазин готовых работ
- Поиск по учебному заведению
- Санкт-Петербургский Горный Университет. СПГУ
- Теоретическая механика
- РГЗ
- Составная конструкция (1)
- 9 уравнений
9 уравнений
Задание: Найти опорные реакции составной конструкции, которая испытывает воздействие внешней нагрузки. Используя 9 уравнений равновесия.
1.
Вариант 1а
Решение в формате word
Решение по 9 уравнениям
Номер рисунка: 1.2
Р1,(кН): 6
Р2,(кН): 4
q,(кН/м):0,8
М,(кНм): 25
2.
Вариант 1б
Решение в формате word
Решение по 9 уравнениям
Номер рисунка: 1.2
Р1,(кН): 6
Р2,(кН): 12
q,(кН/м): 3,5
М,(кНм): 20
3.
Вариант 2а
Решение в формате word
Решение по 9 уравнениям
Номер рисунка: 1.3
Р1,(кН): 11
Р2,(кН): 5
q,(кН/м):1
М,(кНм): 34
4.
Вариант 2б
Решение в формате word
Решение по 9 уравнениям
Номер рисунка: 1.3
Р1,(кН): 8
Р2,(кН): 11
q,(кН/м):1,5
М,(кНм): 18
5.
Вариант 2в
Решение в формате word
Решение по 9 уравнениям
Номер рисунка: 1.28
Р1,(кН): 7
Р2,(кН): 10
q,(кН/м): 1,5
М,(кНм): 30
6.
Вариант 3а
Решение в формате word
Решение по 9 уравнениям
Номер рисунка: 1.4
Р1,(кН): 9
Р2,(кН): 2
q,(кН/м):1,2
М,(кНм): 20
7.
Вариант 3б
Решение в формате word
Решение по 9 уравнениям
Номер рисунка: 1.4
Р1,(кН): 13
Р2,(кН): 7
q,(кН/м):2,5
М,(кНм): 30
8.
Вариант 4а
Решение в формате word
Решение по 9 уравнениям
Номер рисунка: 1.5
Р1,(кН): 10
Р2,(кН): 7
q,(кН/м):1,5
М,(кНм): 30
9.
Вариант 4а
Решение в формате word
Решение по 9 уравнениям
Номер рисунка: 1.5
Р1,(кН): 10
Р2,(кН): 7
q,(кН/м):1,5
М,(кНм): 30
10.
Вариант 4б
Решение в формате word
Решение по 9 уравнениям
Номер рисунка: 1.5
Р1,(кН): 6
Р2,(кН): 15
q,(кН/м):4,5
М,(кНм): 15
11.
Вариант 4б
Решение в формате word
Решение по 9 уравнениям
Номер рисунка: 1.5
Р1,(кН): 6
Р2,(кН): 15
q,(кН/м):4,5
М,(кНм): 15
12.
Вариант 5а
Решение в формате word
Решение по 9 уравнениям
Номер рисунка: 1.6
Р1,(кН): 8
Р2,(кН): 3
q,(кН/м):0,6
М,(кНм): 22
13.
Вариант 5б
Решение в формате word
Решение по 9 уравнениям
Номер рисунка: 1.6
Р1,(кН): 17
Р2,(кН): 12
q,(кН/м):1,2
М,(кНм): 28
14.
Вариант 6а
Решение в формате word
Решение по 9 уравнениям
Номер рисунка: 1.7
Р1,(кН): 10
Р2,(кН): 3
q,(кН/м):4
М,(кНм): 28
15.
Вариант 6б
Решение в формате word
Решение по 9 уравнениям
Номер рисунка: 1.7
Р1,(кН): 15
Р2,(кН): 8
q,(кН/м):4
М,(кНм): 20
16.
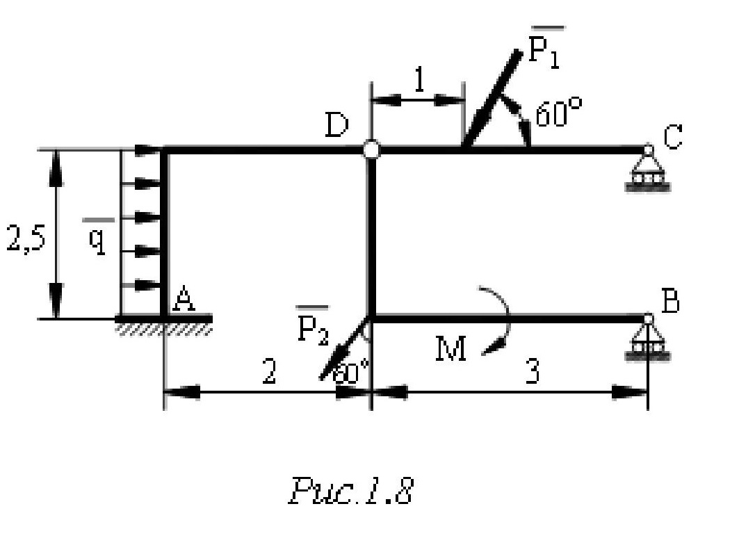
Вариант 7а
Решение в формате word
Решение по 9 уравнениям
Номер рисунка: 1.8
Р1,(кН): 16
Р2,(кН): 6
q,(кН/м):6
М,(кНм): 30
17.
Вариант 7б
Решение в формате word
Решение по 9 уравнениям
Номер рисунка: 1.8
Р1,(кН): 10
Р2,(кН): 14
q,(кН/м): 3
М,(кНм): 30
18.
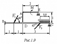
Вариант 8а
Решение в формате word
Решение по 9 уравнениям
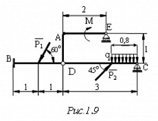
Номер рисунка: 1.9
Р1,(кН): 13
Р2,(кН): 9
q,(кН/м):1,2
М,(кНм): 25
19.
Вариант 8б
Решение в формате word
Решение по 9 уравнениям
Номер рисунка: 1.9
Р1,(кН): 12
Р2,(кН): 9
q,(кН/м): 1
М,(кНм): 20
20.
Вариант 8а
Решение в формате word
Решение по 9 уравнениям
Номер рисунка: 1.9
Р1,(кН): 13
Р2,(кН): 9
q,(кН/м):1,2
М,(кНм): 25
21.
Вариант 8б
Решение в формате word
Решение по 9 уравнениям
Номер рисунка: 1.9
Р1,(кН): 12
Р2,(кН): 9
q,(кН/м): 1
М,(кНм): 20
22.
Вариант 9а
Решение в формате word
Решение по 9 уравнениям
Номер рисунка: 1.10
Р1,(кН): 11
Р2,(кН): 12
q,(кН/м): 2,5
М,(кНм): 29
23.
Вариант 9б
Решение в формате word
Решение по 9 уравнениям
Номер рисунка: 1.10
Р1,(кН): 8
Р2,(кН): 11
q,(кН/м): 2
М,(кНм): 32
24.
Вариант 10а
Решение в формате word
Решение по 9 уравнениям
Номер рисунка: 1.11
Р1,(кН): 12
Р2,(кН): 8
q,(кН/м):1,6
М,(кНм): 34
25.
Вариант 10б
Решение в формате word
Решение по 9 уравнениям
Номер рисунка: 1.11
Р1,(кН): 10
Р2,(кН): 6
q,(кН/м):3,5
М,(кНм): 25
26.
Вариант 11а
Решение в формате word
Решение по 9 уравнениям
Номер рисунка: 1.12
Р1,(кН): 8
Р2,(кН): 15
q,(кН/м): 2
М,(кНм): 28
27.
Вариант 11б
Решение в формате word
Решение по 9 уравнениям
Номер рисунка: 1.12
Р1,(кН): 4
Р2,(кН): 11
q,(кН/м):1,2
М,(кНм): 36
28.
Вариант 12а
Решение в формате word
Решение по 9 уравнениям
Номер рисунка: 1.13
Р1,(кН): 12
Р2,(кН): 4
q,(кН/м): 3
М,(кНм): 36
29.
Вариант 12б
Решение в формате word
Решение по 9 уравнениям
Номер рисунка: 1.13
Р1,(кН): 7
Р2,(кН): 12
q,(кН/м):2,2
М,(кНм): 33
30.
Вариант 13а
Решение в формате word
Решение по 9 уравнениям
Номер рисунка: 1.14
Р1,(кН): 15
Р2,(кН): 7
q,(кН/м):6
М,(кНм): 30
Страницы: