- Магазин готовых работ
- Поиск по учебному заведению
- Санкт-Петербургский Горный Университет. СПГУ
- Теоретическая механика
- РГЗ
- Составная конструкция (1)
- 5 уравнений
5 уравнений
Задание: Найти опорные реакции составной конструкции, которая испытывает воздействие внешней нагрузки. Используя 5 уравнений равновесия.
1.
Вариант 2а
Решение в формате word
Решение по 5 уравнениям
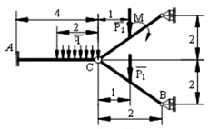
Номер рисунка: 1.3
Р1,(кН): 11
Р2,(кН): 5
q,(кН/м):1
М,(кНм): 34
2.
Вариант 2б
Решение в формате word
Решение по 5 уравнениям
Номер рисунка: 1.3
Р1,(кН): 8
Р2,(кН): 11
q,(кН/м):1,5
М,(кНм): 18
3.
Вариант 12а
Решение в формате word
Решение по 5 уравнениям
Номер рисунка: 1.13
Р1,(кН): 12
Р2,(кН): 4
q,(кН/м): 3
М,(кНм): 36
4.
Вариант 12б
Решение в формате word
Решение по 5 уравнениям
Номер рисунка: 1.13
Р1,(кН): 7
Р2,(кН): 12
q,(кН/м):2,2
М,(кНм): 33
5.
Вариант 13а
Решение в формате word
Решение по 5 уравнениям
Номер рисунка: 1.14
Р1,(кН): 15
Р2,(кН): 7
q,(кН/м):6
М,(кНм): 30
6.
Вариант 13б
Решение в формате word
Решение по 5 уравнениям
Номер рисунка: 1.14
Р1,(кН): 9
Р2,(кН): 9
q,(кН/м):1,3
М,(кНм): 25
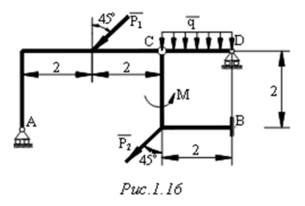
7.
Вариант 15б
Решение в формате word.
Решение по 5 уравнениям
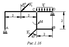
Номер рисунка: 1.16.
Р1,(кН): 5
Р2,(кН): 13
q,(кН/м):1,2
М,(кНм): 22
8.
Вариант 16а
Решение в формате word.
Решение по 5 уравнениям
Номер рисунка: 1.17.
Р1,(кН): 13
Р2,(кН): 5
q,(кН/м):1,2
М,(кНм): 22
9.
Вариант 16б
Решение в формате word
Решение по 5 уравнениям
Номер рисунка: 1.17
Р1,(кН): 8
Р2,(кН): 12
q,(кН/м): 5
М,(кНм): 32
10.
Вариант 17а
Решение в формате word
Решение по 5 уравнениям
Номер рисунка: 1.18
Р1,(кН): 7
Р2,(кН): 7
q,(кН/м):2
М,(кНм): 34
11.
Вариант 17б
Решение в формате word
Решение по 5 уравнениям
Номер рисунка: 1.18
Р1,(кН): 9
Р2,(кН): 10
q,(кН/м): 4
М,(кНм): 35
12.
Вариант 18а
Решение в формате word
Решение по 5 уравнениям
Номер рисунка: 1.19
Р1,(кН): 9
Р2,(кН): 9
q,(кН/м):1,3
М,(кНм): 29
13.
Вариант 18б
Решение в формате word
Решение по 5 уравнениям
Номер рисунка: 1.19
Р1,(кН): 7
Р2,(кН): 15
q,(кН/м): 6
М,(кНм): 30
14.
Вариант 19б
Решение в формате word.
Решение по 5 уравнениям
Номер рисунка: 1.20.
Р1,(кН): 4
Р2,(кН): 12
q,(кН/м):3
М,(кНм): 36
15.
Вариант 21а
Решение в формате word
Решение по 5 уравнениям
Номер рисунка: 1.22
Р1,(кН): 6
Р2,(кН): 10
q,(кН/м): 3,5
М,(кНм): 25
16.
Вариант 21б
Решение в формате word
Решение по 5 уравнениям
Номер рисунка: 1.22
Р1,(кН): 8
Р2,(кН): 12
q,(кН/м):1,6
М,(кНм): 34
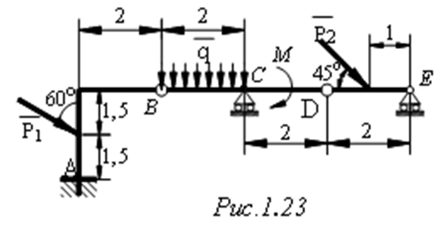
17.
Вариант 22а
Решение в формате word
Решение по 5 уравнениям
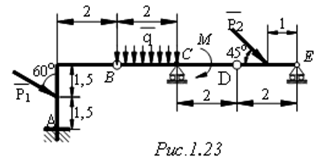
Номер рисунка: 1.23
Р1,(кН): 11
Р2,(кН): 8
q,(кН/м): 2
М,(кНм): 34
18.
Вариант 22б
Решение в формате word
Решение по 5 уравнениям
Номер рисунка: 1.23
Р1,(кН): 11
Р2,(кН): 10
q,(кН/м): 2
М,(кНм): 28
19.
Вариант 23а
Решение в формате word
Решение по 5 уравнениям
Номер рисунка: 1.24
Р1,(кН): 9
Р2,(кН): 12
q,(кН/м):1
М,(кНм): 20
20.
Вариант 23б
Решение в формате word
Решение по 5 уравнениям
Номер рисунка: 1.24
Р1,(кН): 9
Р2,(кН): 13
q,(кН/м):1,5
М,(кНм): 25
21.
Вариант 30а
Решение в формате word
Решение по 5 уравнениям
Номер рисунка: 1.31
Р1,(кН): 12
Р2,(кН): 6
q,(кН/м): 3,5
М,(кНм): 25