Корзина пуста
Поиск по учебным заведениям

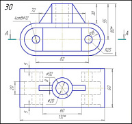
Вариант 30

1.
Корпус
Задание:
Начертить: а) главный вид в соединении с фронтальным разрезом; б) вид сверху в соединении с разрезом А-А; в) вид слева в соединении с профильным разрезом; г) прямоугольную изометрическую проекцию детали с разрезом.

2.
Корпус

Задание:
Начертить: а) главный вид в соединении с фронтальным разрезом; б) вид сверху в соединении с разрезом А-А; в) вид слева в соединении с профильным разрезом; г) косоугольную диметрическую проекцию детали с разрезом.


3.
Стойка

Задание:
Начертить: а) фронтальный разрез; б) вид сверху; в) профильный разрез по оси цилиндрического отверстия; г) данную аксонометрическую проекцию детали. 


4.
Серьга

Задание:
Начертить: а) фронтальный разрез; б) вид сверху в соединении с разрезом А-А; в) вид слева в соединении с разрезом Б-Б.