Корзина пуста
Поиск по учебным заведениям

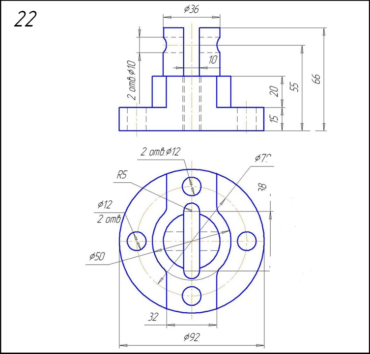
Вариант 22

1.
Крышка

Задание:
Начертить: а) главный вид в соединении с фронтальным разрезом;б) вид сверху;в) вид слева в соединении с профильным разрезом;г)прямоугольную изометрическую проекцию детали с разрезом. 


2.
Основание

Задание:
Начертить: а) главный вид детали в соединении с фронтальным разрезом; б) вид сверху; в) вид слева в соединении с профильным разрезом; г) данную аксонометрическую проекцию детали.


3.
Крышка

Задание:
Начертить: а) главный вид детали в соединении с разрезом А-А; б) вид сверху; в) вид слева в соединении с профильным разрезом.