Корзина пуста
Поиск по учебным заведениям

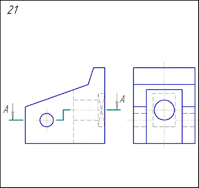
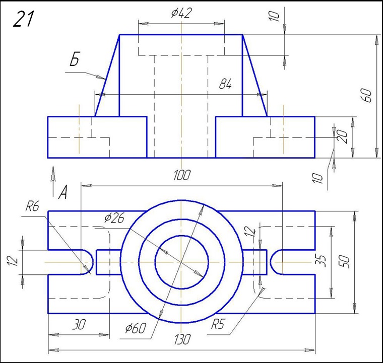
Вариант 21

1.
Основание

Задание:
Начертить: а) главный вид в соединении с фронтальным разрезом;б) вид сверху;в) вид слева в соединении с профильным разрезом;г) местный вид А;д) вынесенное сечение ребра жёсткости Б; е) прямоугольную изометрическую проекцию детали с разрезом.


2.
Корпус

Задание:
Начертить: а) главный вид детали в соединении с фронтальным разрезом; б) вид сверху; в) вид слева в соединении с профильным разрезом; г) данную аксонометрическую проекцию.


3.
Губка

Задание:
Начертить: а) фронтальный разрез;б) вид сверху в соединении с разрезом А-А;в) вид слева.