Корзина пуста
Поиск по учебным заведениям

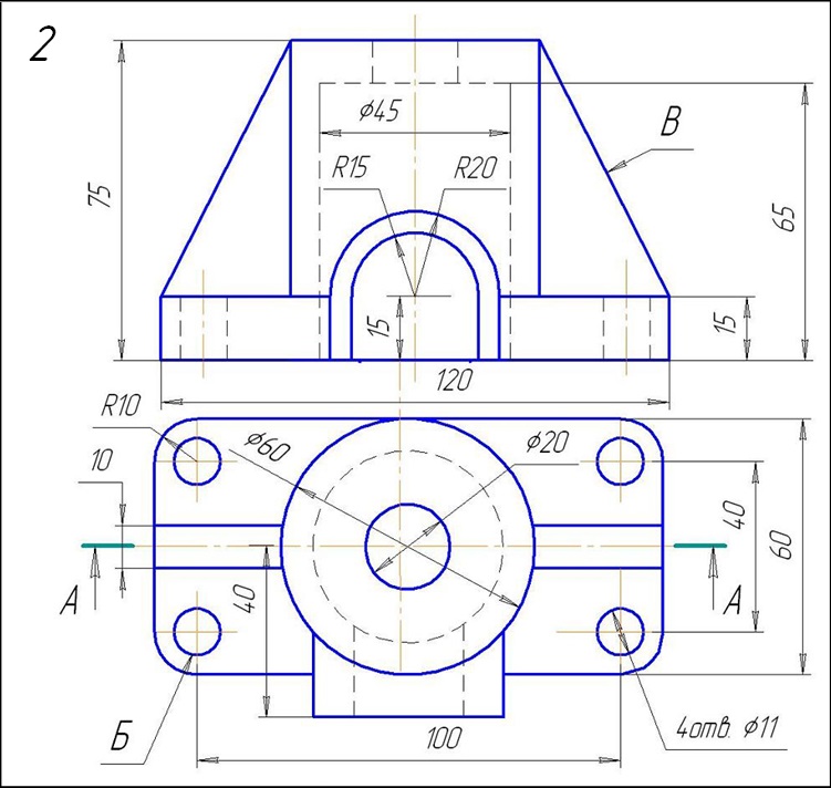
Вариант 2

1.
Кожух

Задание:
Начертить: а) главный вид в соединении с фронтальным разрезом А-А; б) вид сверху; в) местный разрез по отверстию Б; г) на месте вида слева профильный разрез; д) наложенное сечение ребра жёсткости В; е) прямоугольную изометрическую проекцию детали с разрезом.



2.
Стакан

Задание:
Начертить: а) главный вид детали в соединении с фронтальным разрезом; б) вид слева в соединении с профильным разрезом; в) вид сверху в соединении с местным разрезом по оси отв. А; г) на виде слева выполнить местный разрез по одному из отв. Б; д) данную аксонометрическую проекцию детали.


3.
Стакан

Задание:
Начертить: а) главный вид детали в соединении с фронтальным разрезом; б) вид слева в соединении с профильным разрезом; в) вид сверху в соединении с местным разрезом по оси отв. А; г) на виде слева выполнить местный разрез по одному из отв. Б; д) данную аксонометрическую проекцию детали.


4.
Стакан

Задание:
Начертить: а) главный вид детали в соединении с фронтальным разрезом; б) вид слева в соединении с профильным разрезом; в) вид сверху в соединении с местным разрезом по оси отв. А; г) на виде слева выполнить местный разрез по одному из отв. Б; д) данную аксонометрическую проекцию детали.


5.
Основание

Задание:
Начертить: а) главный вид в соединении с фронтальным разрезом; б) вид сверху; в) местный разрез по отв. А; г) вид слева в соединении с профильным разрезом.