Корзина пуста
Поиск по учебным заведениям

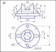
Вариант 19

1.
Фланец

Задание:
Начертить: а) главный вид в соединении с фронтальным разрезом; б) вид сверху; в) вид слева в соединении с профильным разрезом; г) прямоугольную изометрическую проекцию детали с разрезом.


2.
Крышка

Задание:
Начертить: а) главный вид в соединении с фронтальным разрезом; б) вид сверху; в) вид слева в соединении с профильным разрезом; г) данную аксонометрическую проекцию детали.


3.
Крышка

Задание:
Начертить: а) главный вид в соединении с фронтальным разрезом; б) вид сверху; в) вид слева в соединении с профильным разрезом; г) данную аксонометрическую проекцию детали


4.
Накладка

Задание:
Начертить: а) разрез А-А; б) вид сверху; г) вид слева.