Корзина пуста
Поиск по учебным заведениям

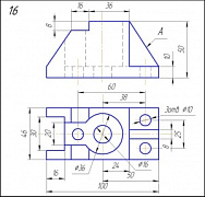
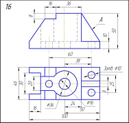
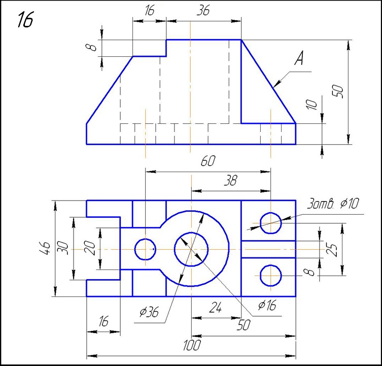
Вариант 16

1.
Крышка
Задание:
Начертить: а) главный вид детали в соединении с фронтальным разрезом; б) вид сверху; в) вид слева в соединении с профильным разрезом; г) вынесенное сечение ребра жёсткости А; д) прямоугольную изометрическую проекцию детали с разрезом.

2.
Крышка

Задание:
Начертить: а) главный вид детали в соединении с фронтальным разрезом; б) вид сверху; в) вид слева; г) вынесенное сечение ребра жёсткости А; д) прямоугольную изометрическую проекцию детали с разрезом.


3.
Направляющая

Задание:
Начертить: а) главный вид детали в соединении с фронтальным разрезом; б) вид сверху в соединении с горизонтальным разрезом по оси цилиндрического отверстия; в) вид слева в соединении с профильным разрезом; г) данную аксонометрическую проекцию детали.


4.
Направляющая

Задание:
Начертить: а) главный вид детали в соединении с фронтальным разрезом; б) вид сверху в соединении с горизонтальным разрезом по оси цилиндрического отверстия; в) вид слева в соединении с профильным разрезом; г) данную аксонометрическую проекцию детали.


5.
Направляющая

Задание:
Начертить: а) главный вид детали в соединении с фронтальным разрезом; б) вид сверху в соединении с горизонтальным разрезом по оси цилиндрического отверстия; в) вид слева в соединении с профильным разрезом; г) данную аксонометрическую проекцию детали.


6.
Ригель

Задание:
Начертить: а) разрез А-А; б) вид сверху; в) вид слева в соединении с разрезом Б-Б.