Корзина пуста
Поиск по учебным заведениям

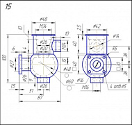
Вариант 15(1)

1.
Корпус

Задание:
Начертить: а) фронтальный разрез; б) вид сверху в соединении с местным разрезом по одному из отв. 5; в) вид слева; г) прямоугольную изометрическую проекцию детали с разрезом.


2.
Корпус

Задание:
Начертить: а) фронтальный разрез; б) вид сверху в соединении с местным разрезом по оси отв. А; в) вид слева; г) данную аксонометрическую проекцию детали Примечание: а) все отверстия А – сквозные; б) отверстие Б – коническое глубиной 45 мм и конусностью 1:10.


3.
Опора

Задание:
Начертить: а) главный вид в соединении с разрезом А-А; б) вид сверху; в) профильный разрез.