Корзина пуста
Поиск по учебным заведениям

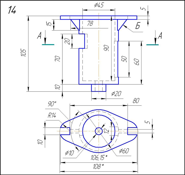
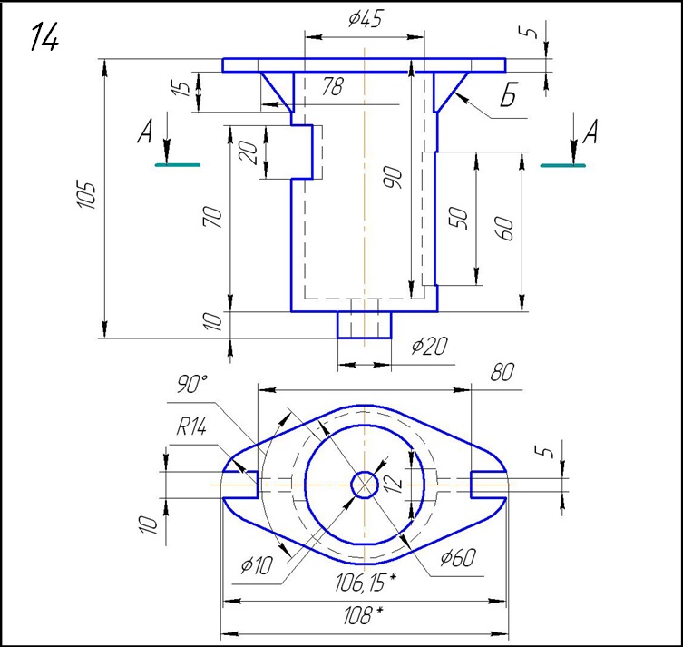
Вариант 14

1.
Корпус

Задание:
Начертить: а) фронтальный разрез; б) вид сверху в соединении с разрезом А-А; в) вид слева в соединении с профильным разрезом; г) сечение ребра жёсткости Б; д) косоугольную диметрическую проекцию детали с разрезом.


2.
Корпус

Задание:
Начертить: а) фронтальный разрез; б) вид сверху в соединении с разрезом А-А; в) вид слева в соединении с профильным разрезом; г) сечение ребра жёсткости Б; д) прямоугольную изометрическую проекцию детали с разрезом.


3.
Плита опорная

Задание:
Начертить: а) главный вид детали в соединении с фронтальным разрезом; б) вид сверху; в) вид слева в соединении с профильным разрезом; г) данную аксонометрическую проекцию детали.


4.
Подставка

Задание:
Начертить: а) главный вид в соединении с разрезом А-А; б) вид сверху; в) профильный разрез; г) вынесенное сечение ребра жёсткости Б.