Корзина пуста
Поиск по учебным заведениям

Вариант 12

1.
Опора

Задание:
Начертить: а) главный вид детали в соединении с фронтальным разрезом; б) вид сверху; в) вид слева в соединении с профильным разрезом; г) вынесенное сечение ребра жёсткости А; д) местный разрез по отв. 8; е) прямоугольную изометрическую проекцию детали с разрезом.


2.
Опора

Задание:
Начертить: а) главный вид детали в соединении с фронтальным разрезом; б) вид сверху; в) вид слева в соединении с профильным разрезом; г) вынесенное сечение ребра жёсткости А; д) местный разрез по отв. 8; е) косоугольную диметрическую проекцию детали с разрезом.


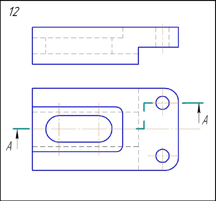
3.
Кронштейн

Задание:
Начертить: а) главный вид детали в соединении с фронтальным разрезом; б) вид сверху; в) вид слева в соединении с профильным разрезом; г) местный разрез по отвА; д) данную аксонометрическую проекцию детали.


4.
Кронштейн

Задание:
Начертить: а) главный вид детали в соединении с фронтальным разрезом; б) вид сверху; в) вид слева в соединении с профильным разрезом; г) местный разрез по отвА; д) данную аксонометрическую проекцию детали.


5.
Плита

Задание:
Начертить: а) разрез А-А; б) вид сверху; в) вид слева.