Корзина пуста
Поиск по учебным заведениям

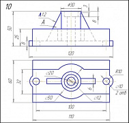
Вариант 10

1.
Плита

Задание:
Начертить: а) главный вид в соединении с фронтальным разрезом; б) вид сверху; в) вид сверху в соединении с профильным разрезом; г) вынесенное сечение ребра жёсткости А; д)прямоугольную изометрическую проекцию детали. 


2.
Подставка

Задание:
Начертить: а) главный вид в соединении с фронтальным разрезом; б) вид сверху; в) вид слева в соединении с профильным разрезом; г) вынесенное сечение ребра жёсткости А; д) данную аксонометрическую проекцию детали.


3.
Подставка

Задание:
Начертить: а) главный вид в соединении с фронтальным разрезом; б) вид сверху; в) вид слева в соединении с профильным разрезом; г) вынесенное сечение ребра жёсткости А; д) данную аксонометрическую проекцию детали.


4.
Траверса

Задание:
Начертить: а) главный вид детали в соединении с разрезом А-А; б) вид сверху; в) профильный разрез.