Корзина пуста
Поиск по учебным заведениям

Вариант 1

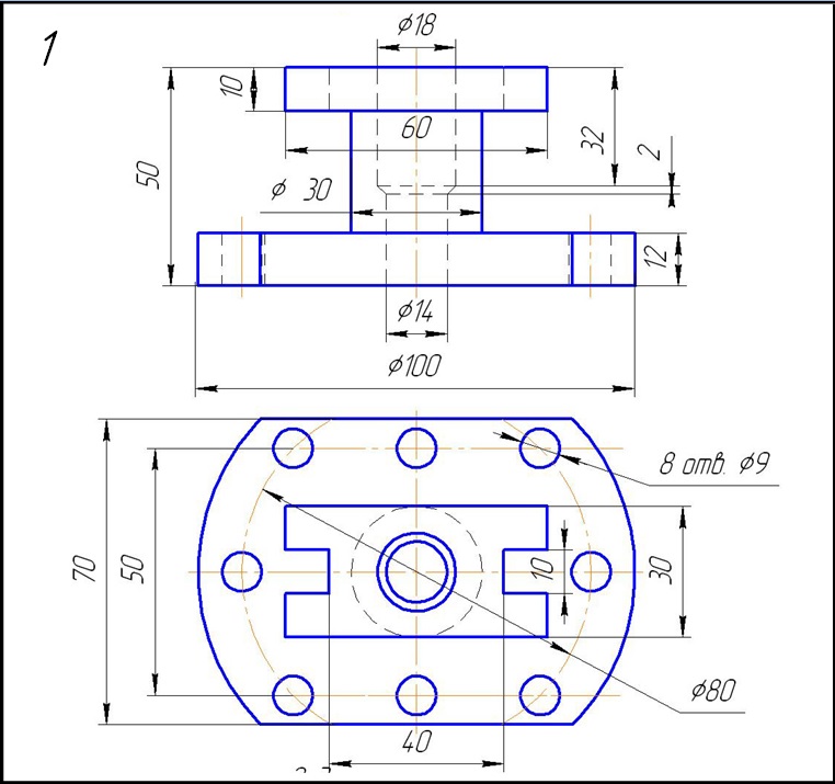
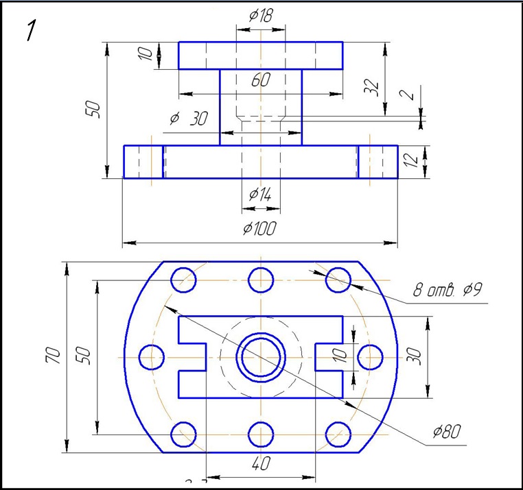
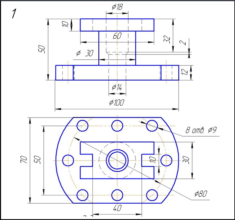
1.
Основание

Задание:
Начертить: а) главный вид детали в соединении с фронтальным разрезом; б) вид сверху; в) вид слева в соединении с профильным разрезом; г) прямоугольную диметрическую проекцию детали с разрезом.


2.
Основание

Задание:
Начертить: а) главный вид детали в соединении с фронтальным разрезом; б) вид сверху; в) вид слева в соединении с профильным разрезом; г) косоугольную диметрическую проекцию детали с разрезом.


3.
Основание
Задание:
Начертить: а) главный вид детали в соединении с фронтальным разрезом; б) вид сверху; в) вид слева в соединении с профильным разрезом; г) прямоугольную изометрическую проекцию детали с разрезом.

4.
Корпус

Задание:
Начертить: а) главный вид детали в соединении с фронтальным разрезом; б) вид сверху; в) вид слева в соединении с профильным разрезом; г) данную аксонометрическую проекцию детали.


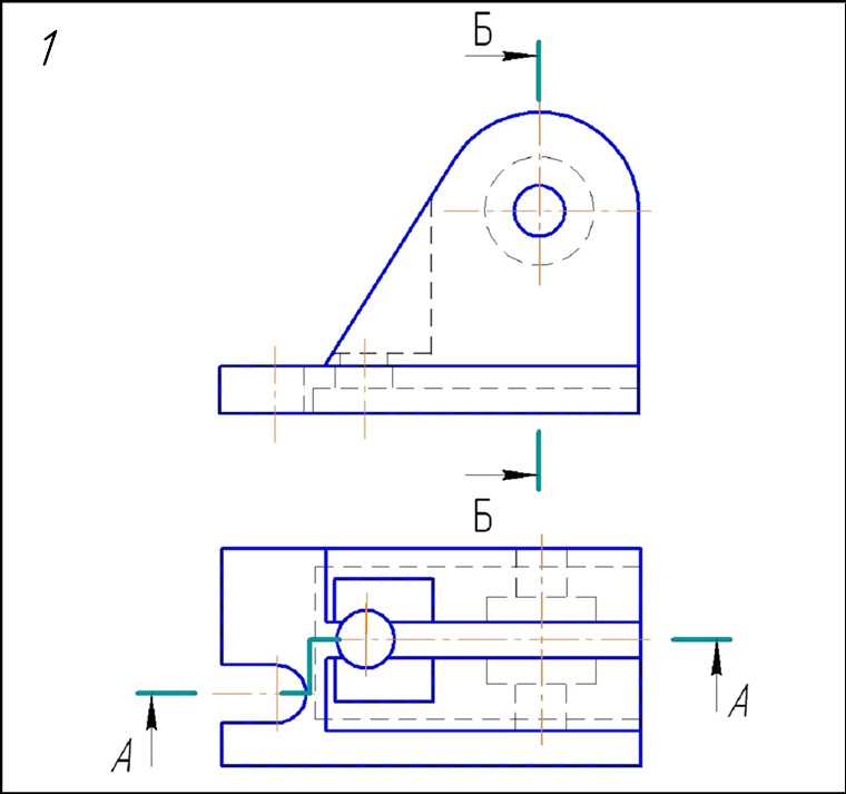
5.
Кронштейн

Задание:
Начертить: а) разрез А-А; б) вид сверху; в) профильный разрез Б-Б.