Корзина пуста
Поиск по учебным заведениям

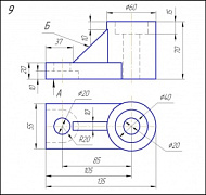
Вариант 9

1.
Опора

Задание:
Начертить: а) фронтальный разрез ; б) вид сверху; в) вид слева; г) местный вид А; д) сечение ребра жёсткости Б; е)  прямоугольную изометрическую проекцию детали с разрезом.


2.
Подшипник

Задание:
Начертить: а) главный вид детали в соединении с фронтальным разрезом; б) вид сверху; в) профильный разрез; г) сечение ребра жёсткости; д) данную аксонометрическую проекцию детали.


3.
Подшипник

Задание:
Начертить: а) главный вид детали в соединении с фронтальным разрезом; б) вид сверху; в) профильный разрез; г) сечение ребра жёсткости; д) данную аксонометрическую проекцию детали.


4.
Серьга

Задание:
Начертить: а) главный вид детали; б) разрез А-А; в) вид слева.