Корзина пуста
Поиск по учебным заведениям

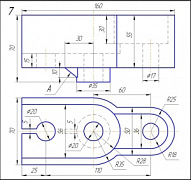
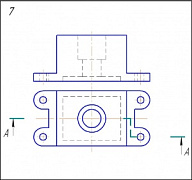
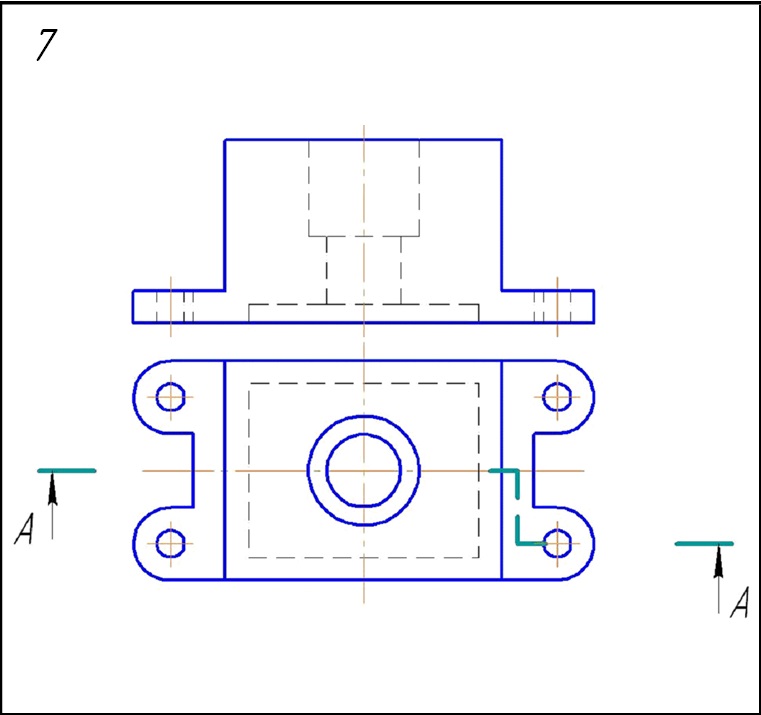
Вариант 7

1.
Опора

Задание:
Начертить: а) фронтальный разрез детали; б) вид сверху; в) вид слева; г) вынесенное сечение ребра жёсткости А; д) прямоугольную изометрическую проекцию детали с разрезом.


2.
Матрица

Задание:
Начертить: а) главный вид детали в соединении с фронтальным разрезом; б) вид сверху; в) вид слева в соединении с профильным разрезом; г) данную аксонометрическую проекцию детали.


3.
Матрица

Задание:
Начертить: а) главный вид детали в соединении с фронтальным разрезом; б) вид сверху; в) вид слева в соединении с профильным разрезом; г) данную аксонометрическую проекцию детали.


4.
Основание

Задание:
Начертить: а) разрез А-А; б) вид сверху; в) вид слева в соединении с профильным разрезом.