Корзина пуста
Поиск по учебным заведениям

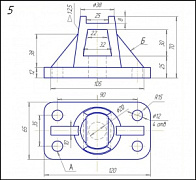
Вариант 5

1.
Плита опорная

Задание:
Начертить: а) главный вид детали в соединении с фронтальным разрезом; б) вид сверху; в) вид слева в соединении с профильным разрезом; г) местный разрез по отв. А; д) вынесенное сечение ребра жёсткости Б; е) косоугольную диметрическую проекцию детали с разрезом.


2.
Муфта

Задание:
Начертить: а) главный вид детали в соединении с фронтальным разрезом; б) вид сверху в соединении с горизонтальным разрезом по стойке А; в) вид слева в соединении с профильным разрезом; г) данную аксонометрическую проекцию детали.


3.
Подушка

Задание:
Начертить: а) главный вид детали в соединении с фронтальным разрезом; б) вид сверху; в) вид слева в соединении с профильным разрезом.