Корзина пуста
Поиск по учебным заведениям

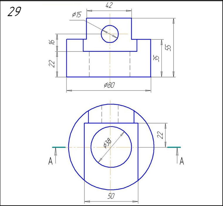
Вариант 29

1.
Втулка

Задание:
Начертить: а) главный вид в соединении с разрезом А-А; б) вид сверху; в) профильный разрез; г) косоугольную диметрическую проекцию детали с разрезом.


2.
Корпус

Задание:
Начертить: а) фронтальный разрез; б) вид сверху; в) вид слева в соединении с профильным разрезом; г) данную аксонометрическую проекцию детали


3.
Корпус

Задание:
Начертить: а) главный вид в соединении с фронтальным разрезом; б) вид сверху; в) разрез А-А.