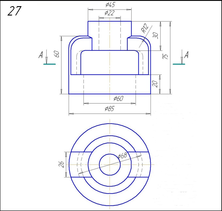
Задание:
Начертить: а) главный вид в соединении с фронтальным разрезом; б) вид сверху в соединении с разрезом А-А;в) вид слева в соединении с профильным разрезом; г) прямоугольную диметрическую проекцию детали с разрезом.
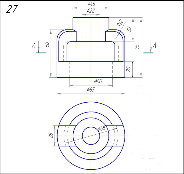
Задание:
Начертить: а) главный вид в соединении с фронтальным разрезом; б) вид сверху в соединении с разрезом А-А;в) вид слева в соединении с профильным разрезом; г) прямоугольную изометрическую проекцию детали с разрезом.
Задание:
Начертить: а) главный вид в соединении с фронтальным разрезом; б) вид сверху в соединении с разрезом А-А;в) вид слева в соединении с профильным разрезом; г) косоугольную диметрическую проекцию детали с разрезом.
Задание:
Начертить: а) главный вид детали в соединении с фронтальным разрезом; б) вид сверху; в) вид слева в соединении с профильным разрезом; г) данную аксонометрическую проекцию детали.
Задание:
Начертить: а) главный вид детали в соединении с фронтальным разрезом; б) вид сверху; в) вид слева в соединении с профильным разрезом; г) данную аксонометрическую проекцию детали
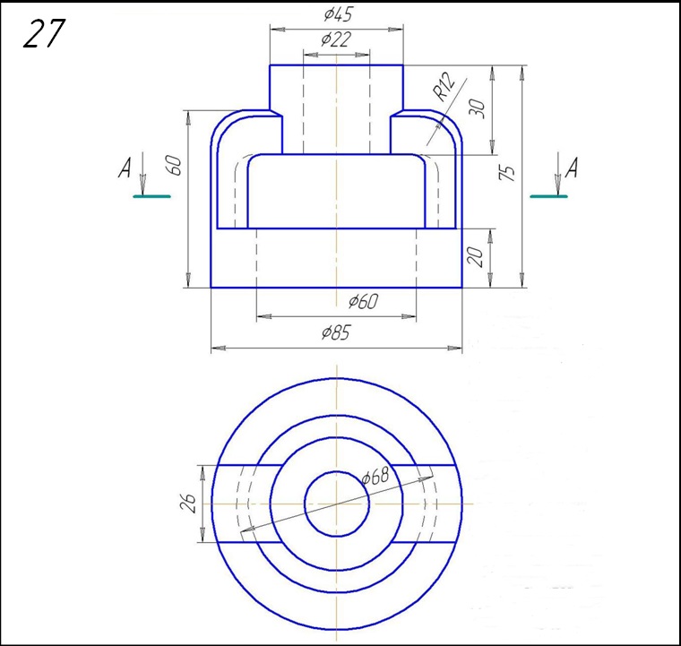
Задание:
Начертить: а) главный вид в соединении с фронтальным разрезом; б) вид сверху; в) вид слева в соединении с профильным разрезом; г) местный разрез по отверстию А;д) вынесенное сечение ребра жёсткости Б.