Корзина пуста
Поиск по учебным заведениям

Вариант 25

1.
Крышка

Задание:
Начертить: а) главный вид в соединении с фронтальным разрезом; б) вид сверху в соединении с разрезом А-А;в) вид слева в соединении с профильным разрезом;г) прямоугольную изометрическую проекцию детали с разрезом.


2.
Обжимка

Задание:
Начертить: а) главный вид детали в соединении с фронтальным разрезом; б) вид сверху; в) вид слева в соединении с профильным разрезом; г) данную аксонометрическую проекцию детали.


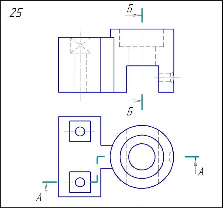
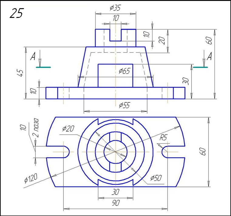
3.
Кронштейн

Задание:
Начертить: а) разрез А-А; б) вид сверху; в) вид слева в соединении с разрезом Б-Б.