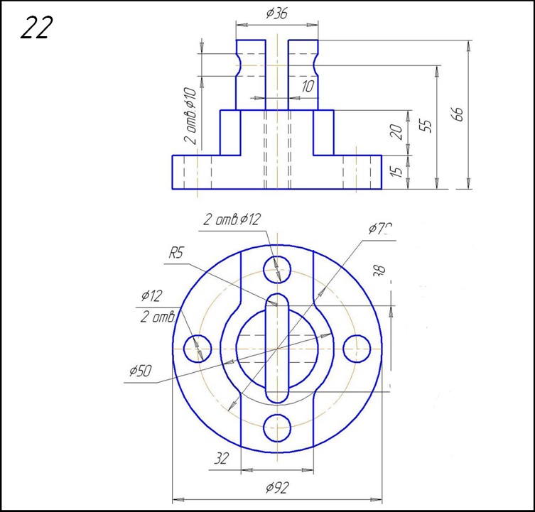
Задание:
Начертить: а) главный вид в соединении с фронтальным разрезом;б) вид сверху;в) вид слева в соединении с профильным разрезом;г)прямоугольную изометрическую проекцию детали с разрезом.
Задание:
Начертить: а) главный вид детали в соединении с фронтальным разрезом; б) вид сверху; в) вид слева в соединении с профильным разрезом; г) данную аксонометрическую проекцию детали.