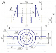
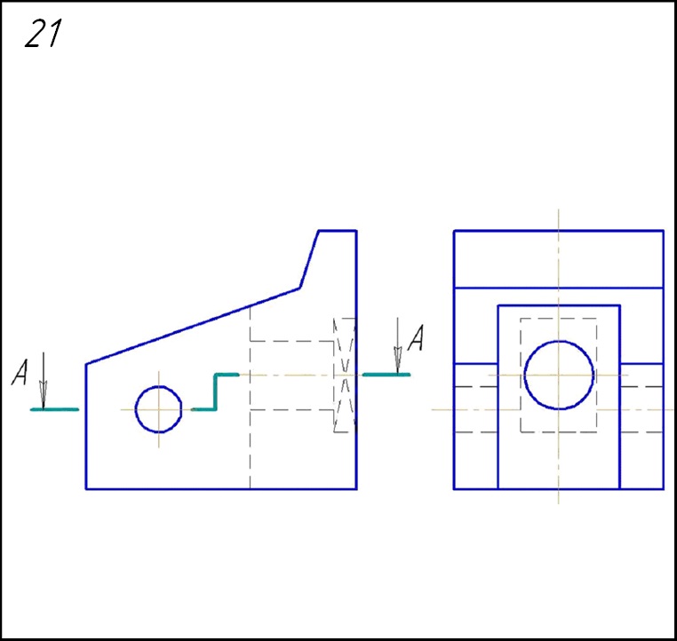
Задание:
Начертить: а) главный вид в соединении с фронтальным разрезом;б) вид сверху;в) вид слева в соединении с профильным разрезом;г) местный вид А;д) вынесенное сечение ребра жёсткости Б; е) прямоугольную изометрическую проекцию детали с разрезом.