Корзина пуста
Поиск по учебным заведениям

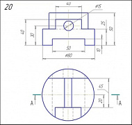
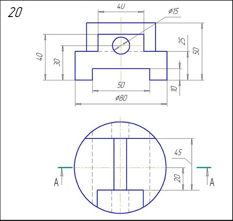
Вариант 20

1.
Золотник

Задание:
Начертить: а) главный вид в соединении с разрезом А-А;б) вид сверху; в) профильный разрез;г) прямоугольную изометрическую проекцию детали с разрезом.


2.
Стакан

Задание:
Начертить: а) главный вид детали в соединении с фронтальным разрезом; б) вид сверху; в) данную аксонометрическую проекцию детали.


3.
Опора

Задание:
Начертить: а) главный вид в соединении с разрезом А-А;б) вид сверху;в) вид слева в соединении с профильным разрезом.