Корзина пуста
Поиск по учебным заведениям

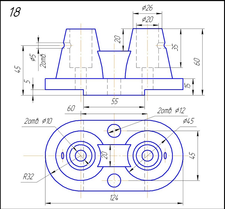
Вариант 18

1.
Кондуктор

Задание:
Начертить: а) главный вид в соединении с фронтальным разрезом; б) вид сверху; в) вид слева в соединении с профильным разрезом; г) прямоугольную диметрическую проекцию детали с разрезом.


2.
Кондуктор

Задание:
Начертить: а) главный вид в соединении с фронтальным разрезом; б) вид сверху; в) вид слева в соединении с профильным разрезом; г) прямоугольную изометрическую проекцию детали с разрезом.


3.
Крышка

Задание:
Начертить: а) главный вид детали в соединении с фронтальным разрезом; б) вид сверху; в) вид слева в соединении с профильным разрезом; г) данную аксонометрическую проекцию.


4.
Подушка

Задание:
Начертить: а) разрез А-А; б) вид сверху; в) вид слева в соединении с разрезом Б-Б.