Корзина пуста
Поиск по учебным заведениям

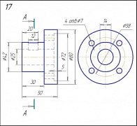
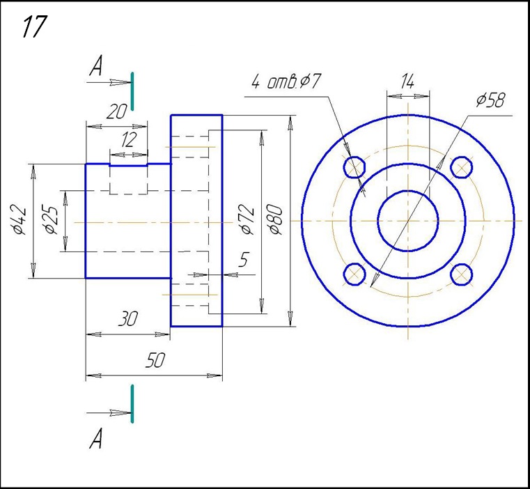
Вариант 17

1.
Муфта

Задание:
Начертить: а) фронтальный разрез; б) разрез А-А; в) прямоугольную изометрическую проекцию детали с разрезом.


2.
Подставка

Задание:
Начертить: а) главный вид детали в соединении с фронтальным разрезом; б) вид сверху; в) вид слева в соединении с профильным разрезом; г) данную аксонометрическую проекцию детали.


3.
Подставка

Задание:
Начертить: а) главный вид детали в соединении с фронтальным разрезом; б) вид сверху; в) вид слева в соединении с профильным разрезом; г) данную аксонометрическую проекцию детали.


4.
Опора

Задание:
Начертить: а) разрез А-А; б) вид сверху; в) вид слева.