Корзина пуста
Поиск по учебным заведениям

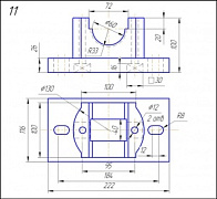
Вариант 11

1.
Корпус подшипника

Задание:
Начертить: а) главный вид детали в соединении с фронтальным разрезом; б) вид сверху; в) вид слева в соединении с профильным разрезом; г) косоугольную диметрическую проекцию детали с разрезомНачертить: а) главный вид детали в соединении с фронтальным разрезом; б) вид сверху; в) вид слева в соединении с профильным разрезом; г) косоугольную диметрическую проекцию детали с разрезом


2.
Стойка

Задание:
Начертить: а) главный вид детали в соединении с фронтальным разрезом; б) вид сверху; в) вид слева в соединении с профильным разрезом; г) данную аксонометрическую проекцию детали.


3.
Крышка

Задание:
Начертить: а) главный вид в соединении с фронтальным разрезом; б) вид сверху; в) местный разрез по отв. А; г) профильный разрез; д) вынесенное сечение ребра жёсткости Б.