Лови
5!
Магазин готовых работ
Меню
Лови5
О нас
FAQ
Гарантии
Оплата
Контакты
Магазин готовых работ
Работы на заказ
Вход на сайт
Регистрация
Корзина пуста
Поиск по параметрам
Реферат, курсовая, диплом, доклад, эссе
Задачи по физике и химии
Математика
Чертежи
Детали машин (редуктор)
Поиск по учебным заведениям
Военно-Космическая Академия имени А.Ф.Можайского. ВКА
Высшая школа Технологии и Энергетики. СПбВШТЭ СПбГУПТД (бывш. СПбГТУРП)
Государственный Университет Морского и Речного Флота имени адмирала С.О.Макарова. ГУМРФ
Петербургский Государственный Университет Путей Сообщения. ПГУПС
Санкт-Петербургский Горный Университет. СПГУ
Санкт-Петербургский Государственный Архитектурно-Строительный Университет. СПбГАСУ
Санкт-Петербургский Государственный Лесотехнический Университет имени С.М. Кирова. СПбГЛТУ
Санкт-Петербургский Государственный Морской Технический Университет. СПбГМТУ
Санкт-Петербургский Государственный Технологический Институт. СПбГТИ(ТУ)
Санкт-Петербургский Государственный Университет Аэрокосмического Приборостроения. ГУАП
Санкт-Петербургский Государственный Университет Телекоммуникаций им. проф. М.А.Бонч-Бруевича.СПбГУТ
Санкт-Петербургский Государственный Электротехнический Университет «ЛЭТИ» им. В.И. Ульянова (Ленина).СПбГЭТУ
Санкт-Петербургский Национальный Исследовательский Университет Информационных Технологий, Механики и Оптики. ИТМО
Санкт-Петербургский Университет ГПС МЧС
Северо-Западный Открытый Технический Университет. СЗТУ (бывш. СЗПИ)
Магазин готовых работ
Поиск по учебному заведению
Петербургский Государственный Университет Путей Сообщения. ПГУПС
Теоретическая механика
Задания по методичкам
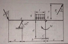
Статика
Задание С-1.Определение реакций внутренних и внешних связей составной конструкции
Задание С-1.Определение реакций внутренних и внешних связей составной конструкции
Задание
1.
Вариант 8
75
руб.
В корзину
2.
Вариант 9
75
руб.
В корзину
3.
Вариант 16
75
руб.
В корзину