- Магазин готовых работ
- Поиск по учебному заведению
- Петербургский Государственный Университет Путей Сообщения. ПГУПС
- Электротехника.ТОЭ
- Задания по методичкам
- Задание 4. Лабораторные работы
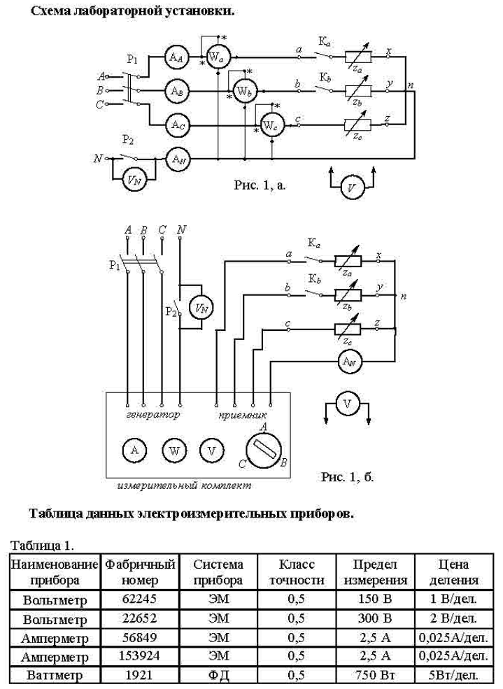
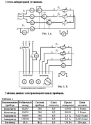
- Исследование трехфазных цепей переменного тока
Исследование трехфазных цепей переменного тока
Тема: Исследование трехфазных цепей переменного тока.
- исследование приемника, соединенного звездой
- исследование приемника, соединенного треугольником
Посмотреть методичку
1.
Работа №1
Решение состоит:
- исследование приемника, соединенного звездой
Оформление PDF