- Магазин готовых работ
- Задания
- Тип: Каталог по ВУЗам
- # 9503
Вариант 7б
Решение в формате word
Решение по 9 уравнениям
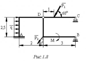
Номер рисунка: 1.8
Р1,(кН): 10
Р2,(кН): 14
q,(кН/м): 3
М,(кНм): 30
Эта работа вам не подошла?
Вы можете заказать любую учебную работу от 100 руб!