- Магазин готовых работ
- Задания
- Тип: Каталог по ВУЗам
- # 9329
Вариант 8а
Решение в формате word
Решение по 9 уравнениям
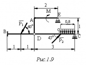
Номер рисунка: 1.9
Р1,(кН): 13
Р2,(кН): 9
q,(кН/м):1,2
М,(кНм): 25
Эта работа вам не подошла?
Вы можете заказать любую учебную работу от 100 руб!