- Магазин готовых работ
- Задания
- Тип: Каталог по ВУЗам
- # 9328
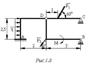
Вариант 7а
Решение в формате word
Решение по 9 уравнениям
Номер рисунка: 1.8
Р1,(кН): 16
Р2,(кН): 6
q,(кН/м):6
М,(кНм): 30
Эта работа вам не подошла?
Вы можете заказать любую учебную работу от 100 руб!