- Магазин готовых работ
- Задания
- Тип: Каталог по ВУЗам
- # 72430
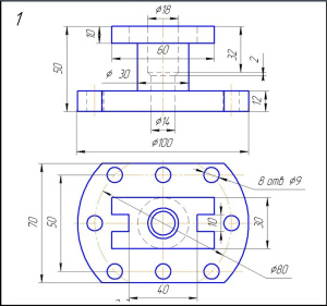
Основание
Задание:
Начертить: а) главный вид детали в соединении с фронтальным разрезом; б) вид сверху; в) вид слева в соединении с профильным разрезом; г) прямоугольную изометрическую проекцию детали с разрезом.
Эта работа вам не подошла?
Вы можете заказать любую учебную работу от 100 руб!