- Магазин готовых работ
- Задания
- Тип: Каталог по ВУЗам
- # 70476
Вариант 15б
Решение в формате word.
Решение по 5 уравнениям
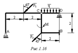
Номер рисунка: 1.16.
Р1,(кН): 5
Р2,(кН): 13
q,(кН/м):1,2
М,(кНм): 22
Эта работа вам не подошла?
Вы можете заказать любую учебную работу от 100 руб!