- Магазин готовых работ
- Задания
- Тип: Каталог по ВУЗам
- # 47934
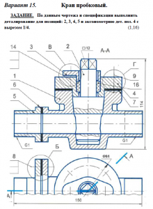
Вариант №15. Кран пробковый
Решение состоит:
1. 3D модели деталей № 2,3,4,5;
2. Чертежи деталей № 2,3,4,5;
3. Аксонометрия детали №4
Эта работа вам не подошла?
Вы можете заказать любую учебную работу от 100 руб!