- Магазин готовых работ
- Задания
- Тип: Каталог по ВУЗам
- # 41026
Вариант 7
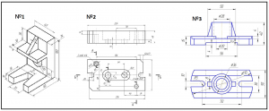
Решение состоит из заданий №1,2,3
1. 3D модель в КОМПАС
2. Чертеж в КОМПАС (формат А3)
3. Чертеж в PDF (формат А3)
Эта работа вам не подошла?
Вы можете заказать любую учебную работу от 100 руб!