- Магазин готовых работ
- Задания
- Тип: Каталог по ВУЗам
- # 29347
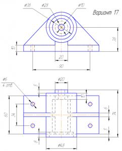
Вариант 17
Решение состоит из:
1.Чертеж(формат А3)
2.3D модель
3.Аксонометрическая проекция
4.Инструкция по изменению даты создания чертежа
Эта работа вам не подошла?
Вы можете заказать любую учебную работу от 100 руб!