- Магазин готовых работ
- Задания
- Тип: Каталог по ВУЗам
- # 25363
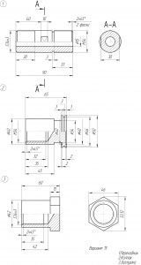
Вариант 15
Решение состоит:
1.Чертеж-Колпак
2.Чертеж-Переходник
3.Чертеж-Заглушка
4.Сборочный чертеж
5.Спецификация
Эта работа вам не подошла?
Вы можете заказать любую учебную работу от 100 руб!