- Магазин готовых работ
- Задания
- Тип: Каталог по ВУЗам
- # 24361
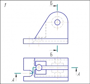
Кронштейн
Решение состоит:
1. Модель детали в 3D
2. Чертеж по заданию (формат А3)
3. Аксонометрическая проекция детали с разрезом.
Эта работа вам не подошла?
Вы можете заказать любую учебную работу от 100 руб!