- Магазин готовых работ
- Задания
- Тип: Каталог по ВУЗам
- # 22766
Вариант 22а
Решение в формате word
Решение по 5 уравнениям
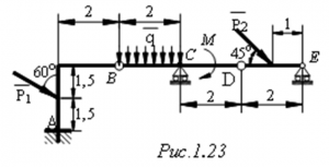
Номер рисунка: 1.23
Р1,(кН): 11
Р2,(кН): 8
q,(кН/м): 2
М,(кНм): 34
Эта работа вам не подошла?
Вы можете заказать любую учебную работу от 100 руб!